 
					Controflow Mini
SUDS01111
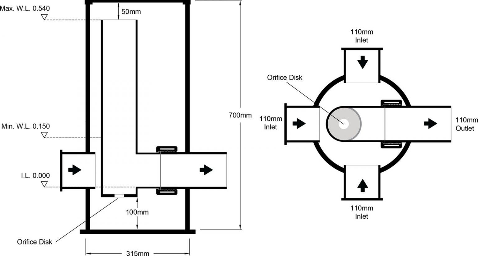
The Controflow Mini 315mm offers simple, cost-effective intermediate flow control for small sub-catchments. Suitable for filtrating SuDS elements, notably permeable paving, it incorporates 110mm pipe connections including an overflow, for depths up to 700mm (min. 330mm).
Applications – permeable paving, filter drains and other shallow SuDS elements.
A standardised shallow flow control chamber with an un-guarded single orifice (to specified diameter), designed to manage outflows from permeable paving or other filtrating SuDS elements. Its design assumes that the ‘protected orifice principle’ is provided upstream in the SuDS feature, to prevent blockage of the flow control chamber by silt or other debris.
The small size and low cost enable multiple Controflow Mini chambers to be deployed for simple intermediate flow control throughout management trains, such as check dams between permeable paving compartments. A Controflow Universal chamber should be used as the final flow control in any sequence of SuDS features.
A particular benefit of the Controflow Mini is the presence of a 100mm pipe overflow in the event of surcharge during exceptional rainfall. The orifice/overflow unit can be disconnected (by hand operation of the screw-collar) and removed for annual inspection or cleaning, also enabling access to the discharge pipe. Three 110mm diameter inlet pipe connection stubs offer layout flexibility. Manufactured with a depth of 700mm, the chamber (and overflow pipe to suit) can be cut on site or at the factory to order, as required. Supplied with a temporary protective site cover (permanent cover and frame not included).
 
					Please specify:
- Orifice diameter
 
					